Products & Services
Product Catalogue
Power Semiconductor
GTO
GTO Thyristors -- Asymmetric -- Disc Type

Model | VDRM
V | VRRM
V | IT(AV) @85℃
A | ITJQM | VTM
V | VTO
V | rT
mΩ | Rthjc ℃/W | Outline | |
|---|---|---|---|---|---|---|---|---|---|---|
A | Cs µF | |||||||||
CEG07E1300 | 1300 | 16 | 250 | 700 | 2 | ≤2.2 | 0.075 | GTOE | ||
CEG07E1800 | 1800 | 16 | 240 | 700 | 2 | ≤2.5 | 0.075 | GTOE | ||
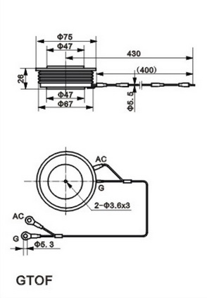
CEG15F2500 | 2500 | 17 | 550 | 1500 | 3 | ≤2.5 | ≤1.5 | ≤0.63 | 0.027 | GTOF |
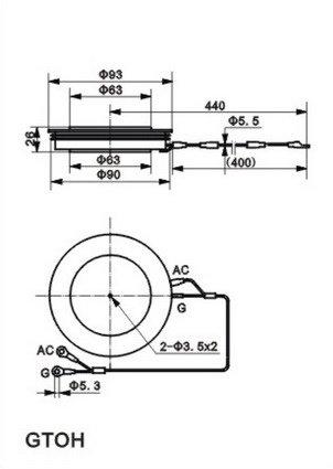
CEG20H2500 | 2500 | 17 | 830 | 2000 | 4 | ≤2.8 | ≤5.0 | ≤0.57 | 0.017 | GTOH |
CEG25H2500 | 2500 | 17 | 830 | 2500 | 6 | ≤3.1 | ≤1.6 | ≤0.57 | 0.017 | GTOH |
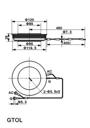
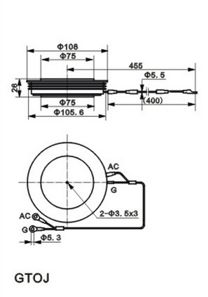
CEG30J2500 | 2500 | 17 | 1300 | 3000 | 5 | ≤2.5 | ≤6.0 | ≤0.33 | 0.012 | GTOJ |
CEG06D4500 | 4500 | 17 | 215 | 600 | 1 | ≤4.0 | ≤1.6 | ≤0.35 | 0.050 | GTOD |
CEG20H4500 | 4500 | 17 | 710 | 2000 | 4 | ≤3.5 | ≤6.0 | ≤0.85 | 0.017 | GTOH |
CEG30J4500 | 4500 | 17 | 930 | 3000 | 6 | ≤4.0 | ≤1.5 | ≤0.60 | 0.012 | GTOJ |
CEG40L4500 | 4500 | 17 | 1000 | 4000 | 6 | ≤4.4 | ≤1.8 | ≤0.58 | 0.011 | GTOL |
| Document | Format | File Size |
| GTO-A-D Outlines | ![]() |
168 KB |
| GTO-A-D Spec Sheet | 111 KB |