Close
Download
Contact us
Home
Search:
home
About TCEC
Company Profile
Our History
Strategy
Core Values
Our Brands
Sustainability
Products & Services
Product Catalogue
Before-sale Services
On-sale Services
After-sale Services
PartnerShips
Overseas Clients
Our Partners
News Release
Company News
Industry News
Photos & Videos
Careers Support
Shared Values
Equal Employment Opportunity
Work Environment
Reward Packages
Career Training
Career Opportunities
Contact Us
Contact Information
Online Customer Services
Customer Feedback
You are here:
Home
Products & Services
Product Catalogue
Assembly Parts
Heatsinks
SH Series Water-cooling Heatsinks
Product catalogue
Power Semiconductor
Thyristors
Recitifiers
GTO
IGBT
IGCT
Power Modules & SSR
Power Semiconductor Modules
IGBT Modules
Intelligent Power Modules
Solid State Relays(SSR)
Power Assemblies
Rotating Rectifiers & Assemblies
Diodes & Devices for Electric Welder
Power Unit Assemblies
Heatsinks for Power Semiconductor
Assembly Parts
Silicon Wafers
GaAs Wafers
Molybdenum Disc
Heatsinks
Advanced Ceramic
Alumina(AI
2
O
3
) Related Ceramic
Aluminum Nitride(AIN)
Zirconia(ZrO
2
)
Other Ceramic
Inverter & Soft Starter
Frequency Inverter
Soft Starter
Electric Furnace
Medium Frequency Induction Heating Furnaces
High Frequency Induction Heating Furnaces
Other Furnaces
SH Series Water-cooling Heatsinks
Print
Prev Model
Next Model
Product Quick Details
Order Terms
Support Services
SHARE
Features
Specifications
Circuits
Name Instruction
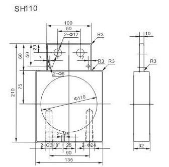
Outlines
Gallery
Download
Features
Double-layer water way structure
High current density
Resistance to high water pressure
Low thermal resistance
Applications
Heatsings for high power semiconductor devices GTO, IGCT, SCR, Rectifier etc
SH Series Water-cooling Heatsinks
Curve 1:
Curve 2:
SB Series Water-cooling Heatsinks
Outline 1:
Outline 2:
/Upload/4/4411-14195532241.jpg&^&SH Series (SH110 / SH126)&^&*^*/Upload/4/4412-14195524177.jpg&^&SH Series (SH110 / SH126)&^&