Close
You are here: Home Products & Services Product Catalogue Assembly Parts Heatsinks SB Series Water-cooling Heatsinks
SB Series Water-cooling Heatsinks
Print
Next Model
Product Quick Details
Order Terms
Support Services
SHARE  
  • Features
  • Specifications
  • Circuits
  • Name Instruction
  • Outlines
  • Gallery
  • Download
  • Features


       Double-layer water way structure        High current density

       Resistance to high water pressure       Corrosion resistance

       Low thermal resistance        Low cost



    Applications


       Heatsings for high power semiconductor devices GTO, IGCT, SCR, Rectifier etc

  • SB Series Water-cooling Heatsinks


    Curve 1:

    Curve 2:

  • SB Series Water-cooling Heatsinks


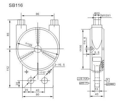
    Outline 1:

    Outline 2: